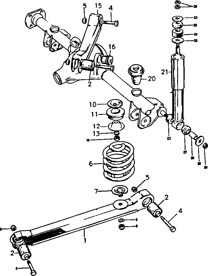
| Plate Ref. No. | Description | Quan. per veh | Jensen Part No. |
| 1 | Lower suspension arm | 2 | 91518 |
| 2 | Urethane rear bushing | 1 | 91696SET |
| 4 | Arm bolt | 8 | 91399 |
| 5 | Locking nut | 8 | 91400 |
| 6 | Coil spring | 2 | 90827 |
| | HD spring, pair | 1 pair | 44-JHR |
| 7 | Lower retainer | 2 | 91415 |
| 10 | Spring seat | 2 | 91411 |
| 11 | Upper mount rubber | 2 | 91414 |
| 12 | Upper retainer | 2 | 91412 |
| 13 | Bushing | 2 | 91413 |
| 15 | Upper suspension arm | 2 | 91517 |
| 16 | Rear bushing | 2 | 91398 |
| 20 | Bump stop rubber | 2 | 90670 |
| 21 | Rear damper assembly (See KYB Shocks) | 2 | KG5552MOD |
|
(Select diagram above to view larger size Then Use Browser GO-BACK.)
|