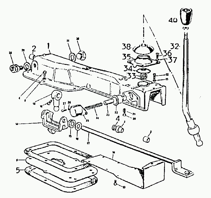
Gearbox Controls - 4 Speed
Note: Many 4 speed parts are not available. Check with us.
| Plate Ref. No. | Description | Quan. per veh | Jensen Part No. |
| 1 | Top cover | 1 | 93954 |
| 2 | Top cover bush | 2 | 93953 |
| 4 | Seal | 1 | 93088 |
| 5 | Top cover gasket | 2 | 93167 |
| 32 | Gearshift lever | 1 | 91073 |
| 33 | Spring | 1 | 93741 |
| 34 | Disc | 1 | 93742 |
| 35 | Cap | 1 | 93743 |
| 36 | Cap to cover screw | 4 | 93720 |
| 37 | Spring washer | 4 | 93745 |
| 38 | Cap grommet | 1 | 93746 |
| 40 | Gearshift knob | 1 | 97184 |
|
(Select diagram above to view larger size Then Use Browser GO-BACK.)
|
|