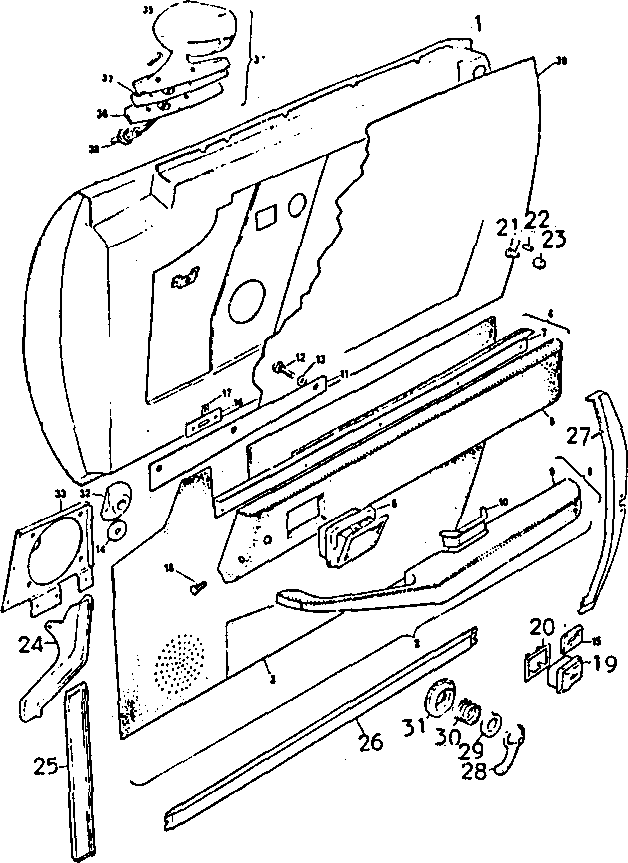
| Plate Ref. No. | Description | Quan. per veh | Jensen Part No. |
| 1 | RH door shell assembly | 1 | 76287 |
| | LH door shell assembly | 1 | 76288 |
| not ill | RH waist finisher | 1 | 75517 |
| not ill | LH waist finisher | 1 | 75518 |
| not ill | Draught excluder | 2 | 75615 |
| 19 | Door lock switch | 1 | CT6499 |
| 20 | Lock switch bezel | 1 | 75538 |
| 21 | Locking mech spacer | 2 | 76045 |
| 22 | Nylon washer | 2 | 65553 |
| 23 | Locking mech knob | 2 | 849001 |
| 24 | RH front finisher | 1 | 70380 |
| | LH front finisher | 1 | 70381 |
| 25 | RH front finisher | 1 | 70385 |
| | LH front finisher | 1 | 70386 |
| 26 | Bottom finisher | 2 | 70384 |
| 27 | RH rear finisher | 1 | 74262 |
| | LH rear finisher | 1 | 74263 |
| 28 | Inner door handle | 2 | 71292 |
| 29 | Handle trim spacer | 2 | 71294 |
| 30 | Door handle spring | 2 | 71295 |
| 31 | Door handle bezel | 2 | 71293 |
|
(Select diagram above to view larger size Then Use Browser GO-BACK.)
|