| Plate Ref. No. | Description | Quan. per veh | Jensen Part No. |
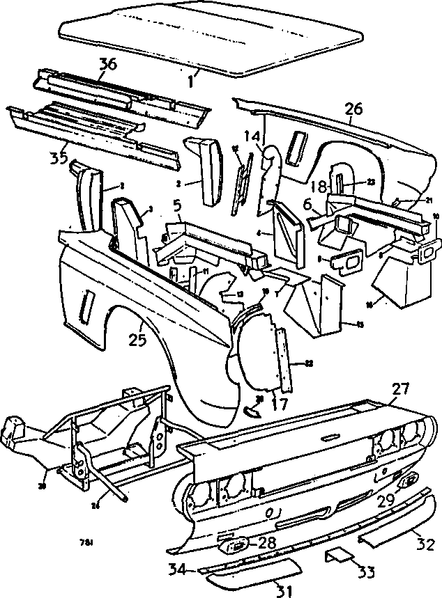
| 1 | SP bonnet assembly | 1 | 75856 |
| | Plain bonnet assembly | 1 | 73105 |
| | Louvered bonnet assembly | 1 | 76625 |
| not ill | Bonnet lock striker | 2 | 71438 |
| 5 | RH inner fender | 1 | 76269 |
| 6 | LH inner fender | 1 | 76270 |
| 13 | RH rear stoneguard | 1 | 848002 |
| 14 | LH rear stoneguard | 1 | 848003 |
| 17 | RH front stoneguard | 1 | 848004 |
| 18 | LH front stoneguard | 1 | 848004 |
| 25 | RH front wing assembly | 1 | 75204 |
| 26 | LH front wing assembly | 1 | 75206 |
| 27 | Front panel assembly | 1 | 52059 |
| 28 | RH side light plinth | 1 | 27643 |
| 29 | LH side light plinth | 1 | 27644 |
| 31 | RH front valance | 1 | 76884 |
| 32 | LH front valance | 1 | 76883 |
| 33 | Center joint valance | 1 | 76885 |
| 34 | Valance piping | 1 | 76886 |
| 35 | RH rocker panel | 1 | 75670 |
| 36 | LH rocker panel | 1 | 75671 |
|
(Select diagram above to view larger size Then Use Browser GO-BACK.)
|