| Plate Ref. No. | Description | Quan. per veh | Jensen Part No. |
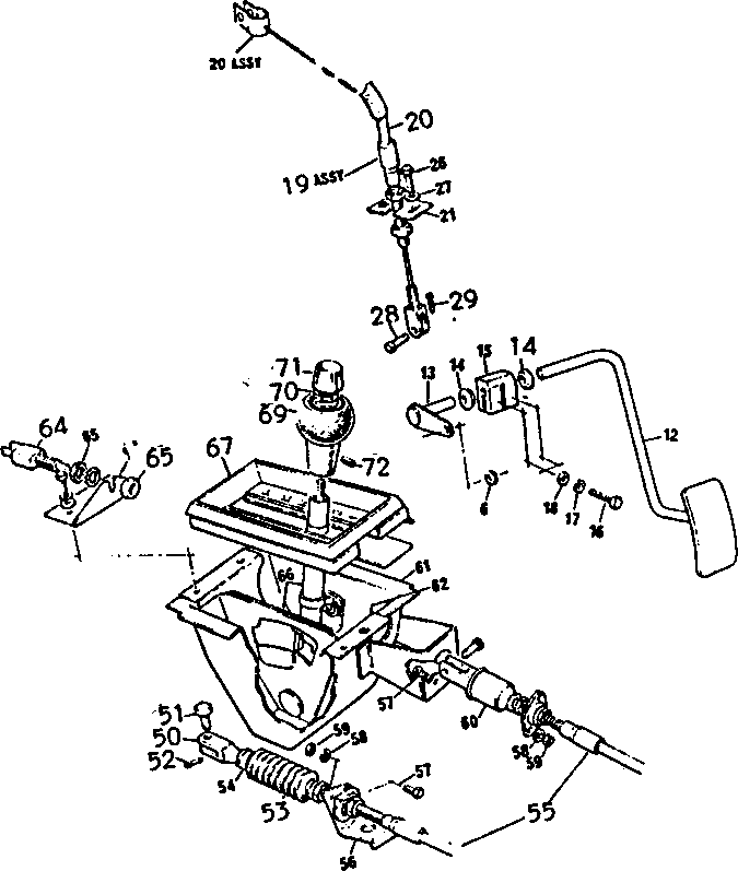
| 14 | Bearing | 3 | CT2634 |
| 19 | 383 acc. cable with plate & ball joint | 1 | CT6582 |
| 20 | 383 acc. cable assembly | 1 | CT6564 |
| | 440 acc. cable assembly | 1 | CT7211 |
| 28 | Clevis pin | 1 | 66950 |
| 29 | Split pin | 1 | 67150 |
| 50 | Shift cable clevis | 1 | CT2620 |
| 51 | Clevis pin | 2 | 66971 |
| 53 | Gaiter bellows | 1 | CT4200 |
| 55 | Gearshift cable | 1 | CT2622 |
| 64 | Reverse switch | 1 | 91254 |
| 65 | Reverse switch locknut | 2 | 91255 |
| 67 | Gearshift gate | 1 | CT2547 |
| 69 | Gearshift knob | 1 | CT6365 |
| | Shift knob, rebuilt | 1 | CT6365R |
| 70 | Shift knob spring | 1 | CT6025 |
| 71 | Shift knob button | 1 | CT6026 |
| 72 | Shift knob set screw | 1 | CT6027 |
|
(Select diagram above to view larger size Then Use Browser GO-BACK.)
|