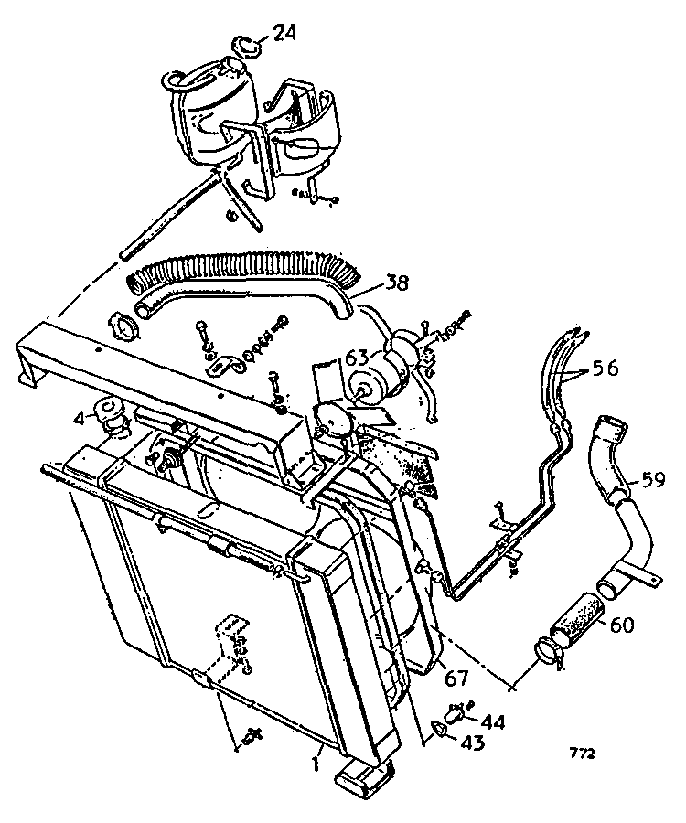
Interceptor Cooling System
Note: "Early" refers to engines before # 2760
| Plate Ref. No. | Description | Quan. per veh | Jensen Part No. |
| 1 | Radiator, rebuilt II | 1 | NLS |
| | Super pak radiator, rebuilt | 1 | NLS |
| 4 | Flat radiator cap | 1 | CT3136 |
| 24 | Radiator pressure cap | 1 | CT6119 |
| 38 | Top radiator hose | 1 | CT6844 |
| 43 | 3 hole radiator fan switch | 1 | CT7568 |
| 44 | Gasket for above | 1 | CT6534 |
| 43 | Screw in fan switch | 1 | CT1010 |
| 56 | Trans cooler hose | 2 | CT3660 |
| 59 | Necked botton hose | 1 | CT7088 |
| 60 | Straight bottom hose | 1 | CT7089 |
| | 1 piece bottom hose | 1 | CT6845 |
| 63 | Fan & motor, II | 2 | CT3149 |
| | Fan & motor, Bosch | 2 | CT6264B |
| | Fan motor, 3 fan | 3 | 78550 |
| 67 | Cowl, early cars | 1 | CT5315 |
| | Cowl with fans, G cars | 1 | CT6593 |
| | Cowl, late 2 fan cars | 1 | CT7078 |
| | 3 fan cowl with fans | 1 | CT8087 |
| not ill | Hi volume water pump | 1 | 3780196 |
|
(Select diagram above to view larger size Then Use Browser GO-BACK.)
|
|