| Plate Ref. No. | Description | Quan. per veh | Jensen Part No. |
| | *Specify brown or black on trim parts. | | |
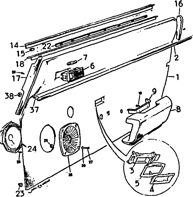
| 1 | Door panel kit, pair: | | |
| not ill | without hardboard* | | DMS3201 |
| not ill | with hardboard* | | DMS3202 |
| not ill | Completer kit for balance of interior* | | DMS3203 |
| 2 | Door moulding | 1 | 92481 |
| 3 | Inside lock control | 2 | 90359 |
| 4 | Lock control trim | 2 | 90375 |
| 5 | Trim plate retainer | 2 | 90919 |
| 6 | Interior light assembly | 1 | 50569 |
| 7 | Festoon bulb | 1 | LLB239 |
| not ill | Bayonet bulb | 1 | ELE89 |
| 8 | RH armrest* | 1 | 92800 |
| | LH armrest* | 1 | 92799 |
| 9 | Armrest bezel | 2 | 91109 |
| 14 | Exterior wipe seal | 2 | 98443 |
| 15 | Edge clip | 20 | 66807 |
| 16 | LR door pad trim | 1 | 97485 |
| | RR door pad trim | 1 | 97486 |
| 17 | LF door pad trim | 1 | 92366 |
| | RF door pad trim | 1 | 92367 |
| 18 | RH door waist trim | 1 | 92376 |
| | LH door waist trim | 1 | 92375 |
| 22 | Interior wipe seal | 2 | 75615 |
| 23 | Pad to door fastener | 22 | 90372 |
| 24 | Speaker assembly | 2 | 92321 |
| 37 | Door moulding retainer | 10 | 92617 |
| 38 | Door moulding push fix | 10 | 92618 |
|
(Select diagram above to view larger size Then Use Browser GO-BACK.)
|